Heat shield klæbende folie Figurskåret - 100 stk. - Lave på ønsket mål

Klæbende folie med varmeskjold. Varmeskjold til udstødning osv.
Varenummer: Figurskåret klæbende folie

Lagerstatus: Bestillingsvare

18.500,00 (DKK) inkl. moms
i h

Heat Shield klæbende folie med varmeskjold 

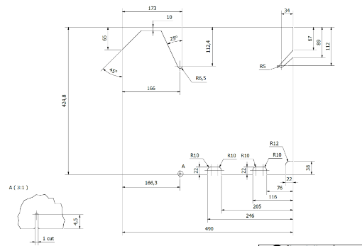
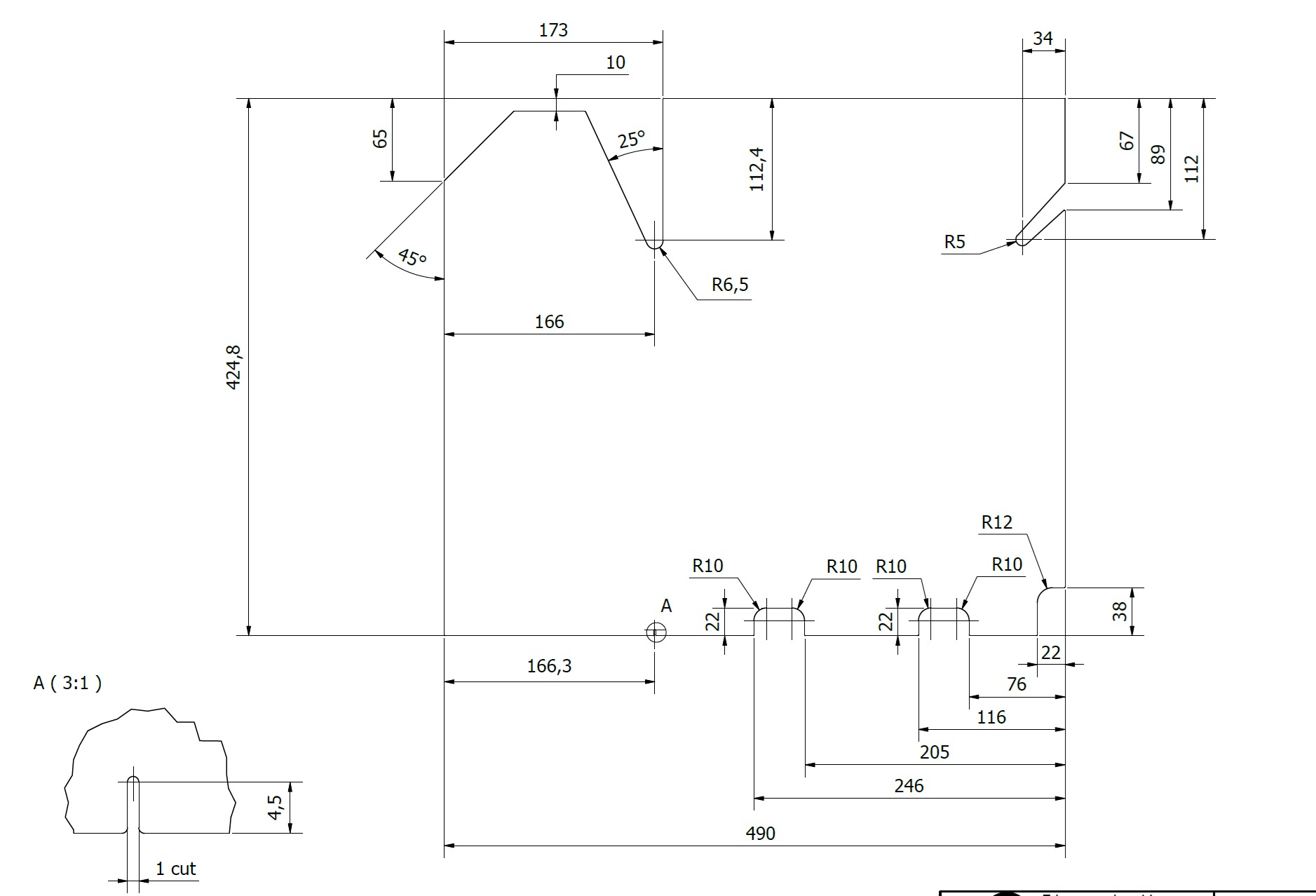
Dette klæbende folie med varmeskjold kan du beskytte karrosseri og andre dele mod varme. Dette varmetæppe er lavet med klister på bagsiden så det nemt kan sættes på eks. inderskærmen af bilens motorrum eller motorhjelmen. Meget effektiv til at holde strålevarmen fra udstødning eller turbo væk. Du kan eks. bruge dette varmeskjold til udstødning, ved kardantunnel osv. 

Tykkelse: 0,72mm.

Varmeisolerende  måtte kan også bruge mange af vores produkter til eks. brændeovne eller skorsten. 

*
*
*